Авиатехника, Железнодорожная техника, Автотехника, Водная техника, Космическая техника, Военная техника, Сельскохозяйственная техника, Бытовая техника, Радиоэлектроника, Электрика, Энергетика, Механика, Мебель своими руками, Строительство, Ремонт, Приусадебное хозяйство, Инструменты, Полезные советы, Конструктор-конструктору, Технические статьи, Исторические хроники, Неопознанное, Из области фантастики, Полезные ссылки, Обмен ссылками, Размещение статей, рекламы
 

 
Купить модельки автомобилей, модели автомобилей своими руками, действующие модели автомобилей, чертежи моделей автомобилей, радиоуправляемые модели автомобилей, как сделать автомобиль по чертежам, освоение кострукций автомобилей, ремонт автомобилей своими руками

Все о конструировании, в помощь конструктору, советы бывалых, статьи для детского и взрослого творчества

Купить модельки автомобилей, модели автомобилей своими руками, действующие модели автомобилей, чертежи моделей автомобилей, радиоуправляемые модели автомобилей, как сделать автомобиль по чертежам, освоение кострукций автомобилей, ремонт автомобилей своими руками

Дата создания сайта: 24/02/2013
Дата обновления главной страницы: 24.02.2015 20:05

Нет ничего проще колеса, модели на колесах, создай свою движущую модель  

Авиатехника
Железнодорожная техника
Автотехника
Водная техника
Космическая техника
Военная техника
Сельскохозяйственная техника
Бытовая техника
Для братьев наших меньших
Радиоэлектроника
Электрика
Энергетика
Механика
Мебель своими руками
Строительство
Ремонт своими руками
Приусадебное хозяйство
Инструменты
Полезные советы
Конструктор-конструктору
Технические статьи
Исторические хроники
Неопознанное
Из области фантастики
Полезные ссылки
Энциклопедия юного техника
Жизнь замечательных людей
Картины современной физики
Фокусы, секреты иллюзии

Размещение статей, реклама
Обмен ссылками

Конструирование своими руками, все для конструирования, из жизни конструктора, конструирование техники, из истории техники, детские конструкторы, полезные советы, технологические советы, работа с интсрументом, фантастические проекты, макеты техники, военная техника, достижения Российских конструкторов, ремонт своими руками, как сделать мебель, приборы своими руками, макеты кораблей, макеты самолетов, макеты автомобилей, чертежи, развертка, кострукторское бюро, все для юного техника, действующие модели, станки, работа на станках, слесарный иструмент, токарный инструмен, ремонт своими руками, ремонтируем сами, планировка и строительство, из области фантастики, техника для тебя.
 
 Наши партнеры  

Конструирование своими руками, все для конструирования, из жизни конструктора, конструирование техники, из истории техники, детские конструкторы, полезные советы, технологические советы, работа с интсрументом, фантастические проекты, макеты техники, военная техника, достижения Российских конструкторов, ремонт своими руками, как сделать мебель, приборы своими руками, макеты кораблей, макеты самолетов, макеты автомобилей, чертежи, развертка, кострукторское бюро, все для юного техника, действующие модели, станки, работа на станках, слесарный иструмент, токарный инструмен, ремонт своими руками, ремонтируем сами, планировка и строительство, из области фантастики, техника для тебя. Производим автошампуни для ручной и бесконтактной мойки автотранспорта, жидкие мыла, в т.ч. антибактериальные, средства для мытья посуды, уборки помещений, для ультразвуковой очистки деталей в ультразвуковых ваннах, моющие средства для наружной обмывки и внутренней уборки пассажирских железнодорожных вагонов, разрешенные к применению ВНИИЖТ на железнодорожном транспорте Качественное продвижение вашего сайта, быстрый рост ТИЦ и PR, регистрация сайтов в каталогах, размещение статей, рассылка объявлений на доски, email рассылки, рассылка электронных писем, регистрация предприятий в каталогах фирм, прогон сайтов по форумам, прогон по доскам объявлений, широкий выбор емаил рассылок, добавление ваших сайтов в поисковые системы Теория ультразвуковых колебаний, ультразвук на службе автолюбителей, ультразвуковые методы обработки, ультразвуковая очистка, ультразвуковая диагностика,купить ультразвуковые ванны в Саратове, технологии ультразвуковой очистки деталей в ультразвуковых ваннах, очистка форсунок инжекторов, моющие  и чистящие средства для ультразвуковой очистки в широком ассортименте, кислотные, щелочные, нейтральные моющие средства для ультразвуковых ванн и очистки купить в Саратове от производителя с доставкой в любые города России, тестовые жидкости для тестирования форсунок бензиновых и дизельных ДВС на производительность

Статистика Yandex   Яндекс.Метрика
Статистика Liveinternet

 

 

 

Управление виброходом по световому лучу

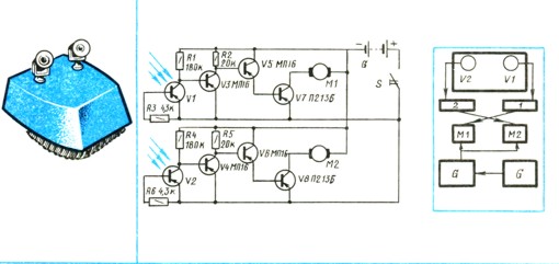
Как сделать виброход, вы уже знаете. Попробуйте оснастить его системой управления с помощью светового луча. Ее разработали А. Шуклин и Н. Ибрагимов из лаборатории полупроводниковой автоматики и кибернетики при школе № 3 г. Глазова Удмуртской АССР.

Так же как и в предыдущих моделях, динамической частью виброхода служит щетка с отогнутой в одну сторону щетиной и двумя электродвигателями, на оси которых закреплены массивные грузики. Принципиальная схема управляющего устройства модели, а также схема расположения на виброходе основных деталей и узлов приведены на рисунке 108.

Принцип действия модели сводится к следующему. Луч от источника света попадает на фототранзисторы V\ и V2 и через транзисторные усилители воздействует на электродвигатели М1 и М2. При одинаковом освещении обоих фототранзисторов включаются оба двигателя, что приводит к вращению обоих эксцентриков. Они создают равномерную относительно луча света вибрацию площадки виброхода, и он движется в направлении источника света. Если свет от источника попадает на один фототранзистор, то срабатывает только один электродвигатель, связанный с этим фототранзистором. Другой отключается. При вращении одного грузика площадка виброхода колеблется так, что аппарат поворачивается к источнику света до тех пор, пока оба фототранзистора не будут вновь освещены. После этого виброход снова двигается прямо на источник света.

В электрической части устройства использованы фототранзисторы типа ФТ-1, но вместо них можно применить и обычные транзисторы типа МП16. В этом случае в корпусах транзисторов со стороны, противоположной выводам, надфилем пропилите окошко размером 4X5 мм. После удаления струей воздуха опилок окошко аккуратно заклейте прозрачной пленкой.

Рис. 108. Виброход идет на свет.

Рис. 108. Виброход идет на свет.

В качестве транзисторов V4 и V5 используются транзисторы типа МП 16; транзисторы 1/3 и V6 - типа П213Б. Микроэлектродвигатели Л11 и М2 с редукторами - типа МД и 2А, часто используемые в электрических игрушках; источниками тока служат две батареи типа 3336JI.

При испытании модели поставьте ручку выключателя в положение "Включено", установите модель на гладкую поверхность и включите источник света. Остановка модели осуществляется поворотом ручки выключателя в положение "Выключено".

 

Читать далее про модели и конструкции автомобилей

 

p.s. При копировании материалов и фотографий ссылка на сайт обязательна.

Саратов 2007-2015 г.

 

 

Автохимия для автомобиля

Автошампуни, бесконтактную активную пену купить в Москве, Ростове-на-Дону,  Саратове, Кирове, Самаре, Томске, Новосибирске с доставкой в регионы, активная пена купить, бесконтактная химия и пена от производителя

Большой выбор бесконтактной автохимии для автомоек

 
Автохимия для автомобиля

Автошампуни для прфессиональной ручной мойки от призводителя купить в Саратове с доставкой в регионы, как отмыть автомобиль ручным автошампунем, теория мойки автомобилей, как отмыть автомобиль и сделать ему химчистку

Автошампуни для профессиональной ручной мойки от призводителя

Автохимия для автомоек Технология бесконтактной мойки автомобилей, купить активную пену в Саратове, как отмыть активной пеной автомобиль, технология бесконтактной мойки автомобилей и грузовых машин

Технология бесконтактной мойки и моющие средства, активная пена

МСредства для вагонов Технология наружной обмывки пассажирских вагонов, как отмыть вагон от загрязнений, мойка подвижного состава, мойка локомотивов, купить моющие средства для наружной мойки вагонов

Как отмыть ЛКП пассажирского железнодорожного вагона

МСредства для вагонов Купить эффективные моющие средства для наружной обмывки пассажирских вагонов с атикором от производителя с разрешением ВНИИЖТ к применению на РЖД

Эффективные моющие средства для наружной обмывки вагонов

МСредства для вагонов

Как отмыть крышу пассажирского вагона, чем отмыть ЛКП пасажирского вагона, технология наружной мойки пассажирских вагонов

Моющие средства для мойки крыш железнодорожных вагонов

Химия для катеров Как отмыть днище катера от водорослей, ракушек, органических и известковых отложений, технология мойки катеров, яхт, лодок, купить моющие средства для катеров и лодок с доставкой, эффективные моющие средства для мойки катеров, технология отмывки днища катера от водорослей и зеленого налета, мойка пластиковых катеров, мойка алюминиевых катеров и лодок, специальная паста для мойки катеров

Мойка катеров, специальная химия для мойки катеров

Ультразвуковая очистка Ультразвуковая очистка деталей инструмента, хирургического инструмента, различных мелких деталей сложной конфигурации и сильно загрязненных, купить моющие средства для ультразвуковой очистки деталей

Моющие средства для ультразвуковой очистки деталей

Ультразвуковая очистка

Чистка монет и различных старинных изделий из бронзы, платины, меди, моющие средства для ультразвуковой очистки изделий из цветных металлов купить с доставкой в Саратове, кислотные моющие средства для ультразвуковой очистки изделий из металлов в ультразвуковой ванне

Моющие средства для ультразвуковой очистки старинных изделий из меди и бронзы

Ультразвуковая очистка Как восстановить старый картридж струйного принтера от засохших чернил, промывка и очистка сопел картриджа струйного принтера для заправки чернилами, мойка и промывка картриджей в ультразвуковой ванне, купить моющие средства для ультразвуковых ванн

Очистка картриджей струйных принтеров, моющие средства для УЗО

Ультразвуковая очистка Как очисткить печатные радиоэлектронные платы после монтажа от флюса, канифолного лака, канифоли, остатков травильных растворов в ультразвуковой ванне с помощью ультразвука и специализированных моющих средств, купить моющие средства для ультразвуковой очистки печатных плат

Печатных радиоэлектронных плат, радиодеталей, моющие редства для УЗО

Ультразвуковая очистка Ультразвуковая очистка деталей и изделий из силумина, алюминия и его сплавов в ультразвуковой ванне с помощью специализированных моющих средств для ультразвуковой очистки алюминия

Ультразвуковая очистка алюминиевых деталей и силумина, моющие средства для УЗО

Ультразвуковая очистка Как самостоятельно очистить форсунки инжектора автомобиля, очистка форсунок своими руками в гараже, ультразвуковая очистка форсунок, промывка форсунок, моющие и чистящие жидкости, промывочные жидкости для очистки форсунок в ультразвуковой ванне купить в Саратове с доставкой в регионы

форсунок инжекторов дизельных и бензиновых двигателей

Ультразвуковая очистка Тестирование форсунок на производительность тестовыми жидкостями на стендах, проверка форсунок на стедах тестирующими и тестовыми жидкостями, купить тестовые жидкости для стендов с доставкой

и тестирование форсунок на стендах, тестовые жидкости для форсунок

  

  Жизнь людей науки

  Энциклопедия юного техника

  На главную страницу


Авиатехника, Железнодорожная техника, Автотехника, Водная техника, Космическая техника, Военная техника, Сельскохозяйственная техника, Бытовая техника, Радиоэлектроника, Электрика, Энергетика, Механика, Мебель своими руками, Строительство, Ремонт, Приусадебное хозяйство, Инструменты, Полезные советы, Конструктор-конструктору, Технические статьи, Исторические хроники, Неопознанное, Из области фантастики, Полезные ссылки, Обмен ссылками, Размещение статей, рекламы
 


Смотрите также интересные ссылки:
Автохимия для авто  Мойка вагонов, разработки для железнодорожного транспорта и метрополитена  Бесконтактная мойка авто и транспорта  Средства для Ультразвука и ультразвуковых ванн   Дезинфицирующие средства